cable pull switches SND2170(plastic body)


|
Features: |
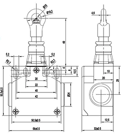
Specifications: Operating Speed: 0.05mm-0.5m/sec Operating Frequency: Mechanical:120ops/min Electrical: 30ops/min Insulation Resistance: >100MΩ @ 500V DC Rated Current/Voltage: 10A/600V AC (EN60947-5-1) Electrical Rating: UL/cUL Listed(E216958) for AC15 A600/ DC13 Q300 Service Life: Mechanically 10,000,000, Electrically 500,000 Operating Temperature: -25~80℃(-13~176°F) without formation of ice Degree of protection: IP65/IP67 |
|
SUNS Address:127 Rivemeck Road, Chelmsford, MA01824 ![]() |